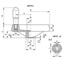
Маховик VRTP+I

Материал 

Высокоэластичный технополимер на основе полипропилена (PP), чёрный цвет, матовая отделка.
Колпачок

Самоклеящаяся передняя панель из анодированного алюминия.
VRTP. 375: покрытие из технополимера на основе полиэстера (PBT), серый цвет RAL 7035, глянцевая поверхность, пресс-сборка.
Стандартные исполнения

Втулка из воронёной стали, развёрнутое отверстие H7.

Развернутое отверстие H9 для вариантов исполнения со шпоночным пазом.

VRTP+I: с вращающейся ручкой I.621+x из технополимера.
K: индекс для исполнений с отверстием и шпоночным пазом в соответствии с  DIN 6885/1, производственный допуск P9



  • Внешний диаметр
  • Посадочное отверстие
  • Отверстие со шпоночный паз
  • Рукоятка
  • Материал

Данной комбинации товара не существует

Рукоятка: Вращающаяся рукоятка
Материал: Технополимер

81,07 Br (без НДС)* 81.07 BYN 81,07 Br

81,07 Br *

Цена недоступна для онлайн-покупки

*узнавайте точную стоимость у менеджера. Цена может быть выше или ниже